Escudo Seguridad Cerradura AMIG 31
Escudo de seguridad AMIG 31 con cuerpo de acero sinterizado con placa antitaladro de acero tratado y anillo exterior hueco.
- Incluye 1 x bocallave modelo 20.
- Incluye tornillos y soporte.
- Grosor mínimo de la puerta: 40-45 mm.
- Para cerraduras AMIG o similares.
SEGURO: El escudo de seguridad para cerradura AMIG modelo 31, cuenta con un cuerpo fabricado en acero sinterizado que incrementa la fuerza de la pieza, aportando mayor resistencia. Solución de seguridad adicional para tu puerta ya que protege el bombillo o cilindro ante ataques para romperlo o forzarlo.
ADAPTADO: Escudo para puerta de grosor mínimo de 40mm y cerraduras AMIG o similares. Incluye anillo exterior hueco de efecto embellecedor para dar uniformidad a la imagen de tu puerta.
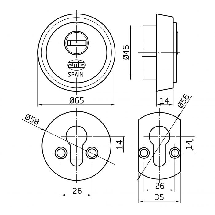
MEDIDAS: El escudo protector de cerradura sobresale 14mm una vez instalado y tiene un diámetro de 65mm. El diámetro de la parte que se introduce en la puerta es de 46mm. Su distancia entre eje y eje de tornillos es de 26mm. Más información en croquis de imágenes.
INSTALACIÓN: Incluye tornillos de 50mm de longitud y 6mm de métrica, arandelas y soporte para instalación en puertas de más de 40mm de grosor. Asegura las medidas de seguridad de tu sistema actual y sustituye tu escudo por el modelo AMIG 31.


















No hay reseñas todavía.